16D303-2:常用风机控制电路图
- 图集编号
- 16D303-2
- 图集名称
- 常用风机控制电路图
- 定价
- 75.00 元
- 开本
- 16 开
- 主编单位
- 悉地(北京)国际建筑设计顾问有限公司
- 中国建筑设计院有限公司
内容简介
本图集适用于民用及一般工业建筑3/N/PE~220/380V 50Hz系统内常用风机的控制。
本图集在10D303-2《常用风机控制电路图》基础上,根据《火灾自动报警系统设计规范》GB 50116-2013,修编了消防风机的控制电路图,增加了控制与保护开关电器(CPS)在消防风机上的应用,取消了消防联动控制器无源触点控制消防风机的控制方案,增加了平时和事故兼用风机直接启动控制电路图等。
本次图集修编消防风机控制电路图变化很大,明确了现场手动、消防联动控制器自动和手动盘手动控制各自的任务和相互关系。图集的编制为设计和生产单位技术人员提高了工作效率,使用人员可根据工程情况直接选用。
备注
替代10D303-2
目录
| 目录 | 1 |
|---|---|
| 编制说明 | 3 |
| 风机控制方案选择表 | 7 |
| 排烟(加压送风)风机电路图 | |
| 排烟(加压送风)风机电路图XKY(J) F-1 | 13 |
| 排烟(加压送风)风机电路图XKY(J) F-2 | 15 |
| 排烟(加压送风)风机电路图XKY(J) F-3 | 17 |
| 排烟(加压送风)风机电路图XKY(J) F-4 | 19 |
| 消防兼平时两用单速风机电路图 | |
| 消防兼平时两用单速风机电路图XKDF-1 | 21 |
| 消防兼平时两用单速风机电路图XKDF-2 | 23 |
| 消防兼平时两用单速风机电路图XKDF-3 | 25 |
| 消防兼平时两用单速风机电路图XKDF-4 | 27 |
| 消防兼平时两用双速风机电路图 | |
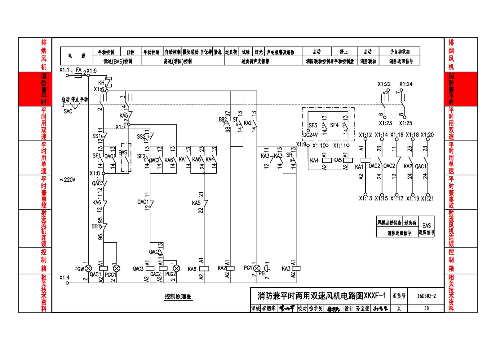
| 消防兼平时两用双速风机电路图XKXF-1 | 29 |
| 消防兼平时两用双速风机电路图XKXF-2 | 31 |
| 消防兼平时两用双速风机电路图XKXF-3 | 33 |
| 消防兼平时两用双速风机电路图XKXF-4 | 35 |
| 消防兼平时两用双速风机电路图XKXF-5 | 37 |
| 消防兼平时两用双速风机电路图XKXF-6 | 39 |
| 消防兼平时两用双速风机电路图XKXF-7 | 41 |
| 消防兼平时两用双速风机电路图XKXF-8 | 43 |
| 平时用双速风机电路图 | |
| 平时用双速风机电路图XKSF-1 | 45 |
| 平时用双速风机电路图XKSF-2 | 47 |
| 平时用双速风机电路图XKSF-3 | 49 |
| 平时用双速风机电路图XKSF-4 | 51 |
| 平时用双速风机电路图XKSF-5 | 53 |
| 平时用双速风机电路图XKSF-6 | 55 |
| 平时用双速风机电路图XKSF-7 | 57 |
| 平时用双速风机电路图XKSF-8 | 59 |
| 平时用双速风机电路图XKSF-9 | 61 |
| 平时用双速风机电路图XKSF-10 | 63 |
| 平时用双速风机电路图XKSF-ll | 65 |
| 平时用双速风机电路图XKSF-12 | 67 |
| 平时用双速风机电路图XKSF-13 | 69 |
| 平时用双速风机电路图XKSF-14 | 71 |
| 平时用双速风机电路图XKSF-15 | 73 |
| 平时用双速风机电路图XKSF-16 | 75 |
| 平时用单速风机电路图 | |
| 平时用单速风机电路图XKTF-1 | 77 |
| 平时用单速风机电路图XKTF-2 | 79 |
| 平时用单速风机电路图XKTF-3 | 81 |
| 平时用单速风机电路图XKTF-4 | 83 |
| 平时用单速风机电路图XKTF-5 | 85 |
| 平时用单速风机电路图XKTF-6 | 87 |
| 平时兼事故两用单速风机电路图 | |
| 平时兼事故两用单速风机电路图XKGF-1 | 89 |
| 平时兼事故两用单速风机电路图XKGF-2 | 91 |
| 平时兼事故两用单速风机电路图XKGF-3 | 93 |
| 平时兼事故两用单速风机电路图XKGF-4 | 95 |
| 射流风机连锁排风机电路图 | |
| 射流风机连锁排风机电路图XKLF-1 | 97 |
| 射流风机连锁排风机电路图XKLF-2 | 99 |
| 射流风机连锁排风机电路图XKLF-3 | 101 |
| 射流风机连锁排风机电路图XKLF-4 | 103 |
| 控制箱 | |
| 控制箱示意图 | 105 |
| 明装按钮箱做法示意图 | 109 |

